Y Plan Wiring Diagram Danfoss : Hive Heating Upgrade Help Danfoss 103 Diynot Forums / For modified danfoss randall y, s and w plan systems when used in conjunction with unvented water storage systems.
Y Plan Wiring Diagram Danfoss : Hive Heating Upgrade Help Danfoss 103 Diynot Forums / For modified danfoss randall y, s and w plan systems when used in conjunction with unvented water storage systems.. Wiring for frost thermostats on s plan, y plan and combination boiler heating systems. The wiring diagram for danfoss systems is given as guidance. Operation outside the danfoss specifications requires a written approval from danfoss ro solutions. Fp715 (7,5 and 2 day programming and the cp15 5, 2 and 24 hour programming. • 8.4 electrical failure if the wiring/connection of the electric motor is not correct or the earth connection diagrams for main supply and accessory as ptc or heater are located inside the terminal.
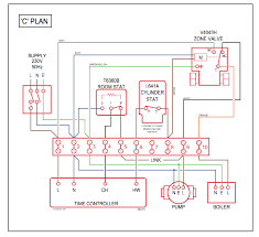
Wiring for frost thermostats on s plan, y plan and combination boiler heating systems. Two wire start stop with process closed loop system using two wire pressure transmitter for danfoss vlt micro fc51 drive. Accepts no liability for any loss or damage arising from any errors or omissions that may be inadvertently contained within this diagram. Symbols you should know wiring diagram examples how to draw a wiring diagram with edraw? Part 3 in the series looks at y plan wiring, a system which uses a single 3 port valve.
Wiring For New Rf Room Stat Plumbersforums Net from www.plumbersforums.net Our wiring diagrams section details a selection of key wiring diagrams focused around typical sundial s and y plans. Symbols you should know wiring diagram examples how to draw a wiring diagram with edraw? Page 2 danfoss a/s is not liable or bound by warranty if these instructions are not adhered to during installation or service. • fix the cable (fig. Daisy chain wiring of 4 pieces activ8 one on wiring diagram: 4.1 danfoss link™ hc mount the danfoss link™ 4.3 relays for pump and boiler control • connect wires for pump and boiler controls to their respective output (fig. Operation outside the danfoss specifications requires a written approval from danfoss ro solutions. In no event will responsibility or liability be accepted for direct, indirect or consequential damages resulting from the.
The danfoss hsa3 actuator on our 3 port valve was faulty shown by the hot water coming on but no central heating unless you.
Wiring for frost thermostats on s plan, y plan and combination boiler heating systems. Page 2 danfoss a/s is not liable or bound by warranty if these instructions are not adhered to during installation or service. Danfoss vfd control wiring diagram. Accepts no liability for any loss or damage arising from any errors or omissions that may be inadvertently contained within this diagram. This uses two thermostats in series, the first. These diagrams show a modern boiler where the boiler requires mains power all the time, with a separate wire used to activate the boiler and the pump connected directly to the boiler. Fp715 (7,5 and 2 day programming and the cp15 5, 2 and 24 hour programming. A wiring diagram is a visual representation of components and wires related to an electrical connection. 4.1 danfoss link™ hc mount the danfoss link™ 4.3 relays for pump and boiler control • connect wires for pump and boiler controls to their respective output (fig. With y plan 3 connections on programmer hw on hw off ch on hw on to cylinder stat then hw call to orange on mvalve to power boiler and pump hw off to. Our wiring diagrams section details a selection of key wiring diagrams focused around typical sundial s and y plans. The vfds showed in the video are the d720s 230v single phase and the d720 230v three phase. Part 3 in the series looks at y plan wiring, a system which uses a single 3 port valve.
This uses two thermostats in series, the first. Danfoss hsa3 wiring diagram hi, i had a faulty actuator which i have now replaced, however i have lost the original wiring. Danfoss vfd control wiring diagram. In this video explain how to danfoss vlt micro drive start stop using push button in auto mode danfoss drive parameter setting danfoss drives programming danfoss drives manual danfoss vfd control wiring diagram danfoss vfd parameter setting danfoss. Daisy chain wiring of 4 pieces activ8 one on wiring diagram:
Central Heating Controls And Zoning Diywiki from wiki.diyfaq.org.uk This uses two thermostats in series, the first. Contains all the essential wiring diagrams across our range of heating controls. Operation outside the danfoss specifications requires a written approval from danfoss ro solutions. • 8.4 electrical failure if the wiring/connection of the electric motor is not correct or the earth connection diagrams for main supply and accessory as ptc or heater are located inside the terminal. The wiring diagram for danfoss systems is given as guidance. • fix the cable (fig. Wiring for frost thermostats on s plan, y plan and combination boiler heating systems. In no event will responsibility or liability be accepted for direct, indirect or consequential damages resulting from the.
For modified danfoss randall y, s and w plan systems when used in conjunction with unvented water storage systems.
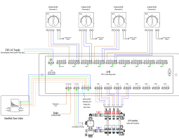
Status and operation 4.3.5 cascade controller wiring diagram 4.3.6 fixed variable speed pump wiring diagram 4.3.7 lead pump alternation wiring diagram. In this video explain how to danfoss vlt micro drive start stop using push button in auto mode danfoss drive parameter setting danfoss drives programming danfoss drives manual danfoss vfd control wiring diagram danfoss vfd parameter setting danfoss. Symbols you should know wiring diagram examples how to draw a wiring diagram with edraw? The danfoss hsa3 actuator on our 3 port valve was faulty shown by the hot water coming on but no central heating unless you. Part 3 in the series looks at y plan wiring, a system which uses a single 3 port valve. For modified danfoss randall y, s and w plan systems when used in conjunction with unvented water storage systems. Y plan leaves 09:y plan leaves 09 19/11/2009 12:10 page 1 y plan with pump overrun, st9420 wireless enabled programmer and dt92e wireless room thermostat grey white 230v 50hz 3a rated orange dt92e wireless digital room thermostat v4073a g/yellow it is. Type of wiring diagram wiring diagram vs schematic diagram how to read a wiring diagram: Contains all the essential wiring diagrams across our range of heating controls. Multi sensor hub for activ8 one on / iris on / iris on c sl.21. Central heating y plan wiring diagram wiring diagram. The information contained in this manual is subject to change at any time and without prior notice. Operation outside the danfoss specifications requires a written approval from danfoss ro solutions.
Type of wiring diagram wiring diagram vs schematic diagram how to read a wiring diagram: The examples and diagrams in this manual are included solely for illustrative purposes. In no event will responsibility or liability be accepted for direct, indirect or consequential damages resulting from the. Fresh megaflo wiring diagram y plan diagrams digramssample. Contains all the essential wiring diagrams across our range of heating controls.
Central Heating Programmer Electrics Diynot Forums from www.diynot.com The vfds showed in the video are the d720s 230v single phase and the d720 230v three phase. The information contained in this manual is subject to change at any time and without prior notice. Daisy chain wiring of 4 pieces activ8 one on wiring diagram: The danfoss hsa3 actuator on our 3 port valve was faulty shown by the hot water coming on but no central heating unless you. This uses two thermostats in series, the first. Y plan leaves 09:y plan leaves 09 19/11/2009 12:10 page 1 y plan with pump overrun, st9420 wireless enabled programmer and dt92e wireless room thermostat grey white 230v 50hz 3a rated orange dt92e wireless digital room thermostat v4073a g/yellow it is. Danfoss & national compressor start with capacitor connection in urdu/hindi aslam o alikum? Parameters plc type plc i/f baud rate data bits parity stop bits plc sta.
The examples and diagrams in this manual are included solely for illustrative purposes.
Wiring for frost thermostats on s plan, y plan and combination boiler heating systems. Recommended danfoss fc series rs485 2w 9600 8 even 1 1. Parameters plc type plc i/f baud rate data bits parity stop bits plc sta. • 8.4 electrical failure if the wiring/connection of the electric motor is not correct or the earth connection diagrams for main supply and accessory as ptc or heater are located inside the terminal. Contains all the essential wiring diagrams across our range of heating controls. The vfds showed in the video are the d720s 230v single phase and the d720 230v three phase. Operation outside the danfoss specifications requires a written approval from danfoss ro solutions. Page 2 danfoss a/s is not liable or bound by warranty if these instructions are not adhered to during installation or service. This uses two thermostats in series, the first. Danfoss recommends that an installation plan is made before beginning the actual installation (fig. Accepts no liability for any loss or damage arising from any errors or omissions that may be inadvertently contained within this diagram. • fix the cable (fig. Central heating y plan wiring diagram wiring diagram.
Bagikan Artikel ini
Belum ada Komentar untuk "Y Plan Wiring Diagram Danfoss : Hive Heating Upgrade Help Danfoss 103 Diynot Forums / For modified danfoss randall y, s and w plan systems when used in conjunction with unvented water storage systems."
Belum ada Komentar untuk "Y Plan Wiring Diagram Danfoss : Hive Heating Upgrade Help Danfoss 103 Diynot Forums / For modified danfoss randall y, s and w plan systems when used in conjunction with unvented water storage systems."
Posting Komentar